legines.com
Rustfrit stål rør hex brystvorte 2520

Rustfrit stål rør hex brystvorte 2520

Maksimalt arbejdstryk på 150 psi ved 70 grader F, materiale: 304 rustfrit stål
Form: Reducer Bushing (mandlig X kvindelig), Forbindelse: NPT-NPT, måling: Valgfrit
NPT -tråd til at skabe strammere sæler end lige tråde
Det har mandlige NPT -tråde i den ene ende og kvindelige NPT -tråde på den anden til forbindelse til en kvindelig og et mandligt gevindrør eller montering.
Denne adaptermontering forbinder rør eller fittings med forskellige sluttyper, diametre eller materialer

Typisk anvendelse:
Fedt, køling, instrumentering og hydrauliske systemer. Brændstof

Fordele:
Dryseal Pipe Threads (BSPT (R)/BSP (G). Stor række størrelser og konfigurationer

Kontakt os

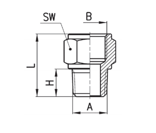
Specifikationer

DEL#

Trådstørrelse A × B.

S.W

L

H

2520-AA

R1/8 × G1/8

13

17.5

7.5

2520-ab

R1/8 × G1/4 17 19.0 7.5

2520-AC

R1/8 × G3/8 20 20.0

7.5

2520-Bb

R1/4 × G1/4 17 22.5 11.0
2520-BC R1/4 × G3/8 20 23.5 11.0
2520-Bd R1/4 × G1/2 24 27.5 11.0
2520-cc R3/8 × G3/8 20 24.0 11.5

2520-CD

R3/8 × G1/2 24 28.0 11.5

2520-DD

R1/2 × G1/2 24 30.5 14.0

Røret rør i rustfrit stål er et fleksibelt materiale, der kan bøjes og formes, så de passer til mange forskellige typer VVS -applikationer. Det bruges ofte til at transportere væsker som vand, luft, damp og brændstof. En af de mest almindelige anvendelser til rørledning i rustfrit stål er i kommercielle køkkener, hvor apparater som komfurer har ¾-tommer eller 2-tommer rør til at distribuere varme i hele køkkenet. Mange bolighuse bruger også ¾-tommer kobberrør til deres udendørs vandhaner, som tillader vand at strømme fra forsyningslinjen ind i huset hurtigt.

Kontakt med os

Om Leginer

Legines Industrial Machinery Inc.

Som en professionel China Messingbeslag -producenter og skubbe på fittings -leverandører. Det vedtager fuld CNC -bearbejdning og ejer workshopområdet på 3600 kvadratmeter. 45 Automatiske maskinværktøjer, 35 semi-automatiske CNC-værktøjsmaskiner samt distributører, der er blevet vigtige leverandører til produktion af amerikanske standard messingdele i Kina ...
  • ære
  • ære

Instruktioner & Nyheder