legines.com
BSPP adapter Mandlig kvindelig tee-1/4 tråd

BSPP adapter Mandlig kvindelig tee-1/4 tråd

BSPP adapter Mandlig kvindelig tee-1/4 tråd 2070

Typisk anvendelse:
Fedt, køling, instrumentering og hydrauliske systemer. Brændstof

Fordele:
Dryseal Pipe Threads (BSPT (R)/BSP (G). Stor række af størrelser og konfiguration

Kontakt os

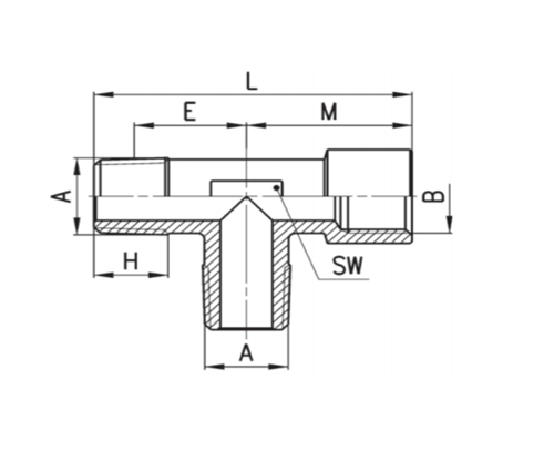
Specifikationer

DEL#

Trådstørrelse A × B.

S.W

M

E

2070-A

R1/8 × G1/8

11.6

19 15

2070-B

R1/4 × G1/4

16

23 20

2070-C

R3/8 × G3/8

20

25 20.5

2070-D

R1/2 × G1/2

23

31.5 24.5

Kontakt med os

Om Leginer

Legines Industrial Machinery Inc.

Som en professionel China Messingbeslag -producenter og skubbe på fittings -leverandører. Det vedtager fuld CNC -bearbejdning og ejer workshopområdet på 3600 kvadratmeter. 45 Automatiske maskinværktøjer, 35 semi-automatiske CNC-værktøjsmaskiner samt distributører, der er blevet vigtige leverandører til produktion af amerikanske standard messingdele i Kina ...
  • ære
  • ære

Instruktioner & Nyheder