legines.com
45# SAE 45 ° FLARE BRASSE FORTED MALE FRENTE TEE

45# SAE 45 ° FLARE BRASSE FORTED MALE FRENTE TEE

Produktfunktioner:
■■ Al messingkonstruktion
■■ Modstår vibrationer med brug af lang møtrik
■■ UL -liste
■■ Funktionelle krav fra SAE J512 og J513


Markeder: Ansøgninger:
■■ Køling ■■ Kølemiddellinjer
■■ Tung lastbil ■■ Propan
■■ Mobil ■■ Brændstof
■■ Industriel ■■ Adaptere
■■ Opvarmning ■■ Naturgas
■■ Aircondition

Referencedel nr:
T1 -145F -45 -10203 til 10221

Kontakt os

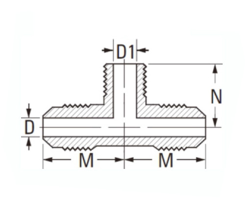
Specifikationer

DEL#

Flare O.D × Thared

D

M

N

45-3a

3/16 × 1/8

.126

.75

.75

45-4a

1/4 × 1/8

.189

.78

.78

45-4b

1/4 × 1/4

.189

.88

.88

45-5A

5/16 × 1/8

.219

.88

.80

45-5b

5/16 × 1/4

.219

1.00

.94

45-6b

3/8 × 1/4

.282

1.00

.94

45-6c

3/8 × 3/8

.282

1.00

1.00

45-6d

3/8 × 1/2

.282

1.12

1.12

45-8c

1/2 × 3/8

.408

1.16

1.09

45-8d

1/2 × 1/2

.408

1.22

1.22

45-1od

5/8 × 1/2

.500

1.41

1.31

45-12d

3/4 × 1/2

.625

1.63

1.59

45-12e

3/4 × 3/4

.625

1.63

1.44

*Ref.Sae No.010425

Den 45 ° Flare Brass Male Branch Tee giver muligheder for dit rørsystem. Disse gevindbeslag er universelle, idet de kan bruges på begge sider til at arbejde med enten flare eller spigotender efter behov efter industristandarder. Alle vores produkter er lavet af messing og er både holdbare og pålidelige. Enheden er UL -listet og opfylder funktionelle krav til SAE J512 og J513. Yderligere størrelser tilgængelige efter anmodning.

Kontakt med os

Om Leginer

Legines Industrial Machinery Inc.

Som en professionel China Messingbeslag -producenter og skubbe på fittings -leverandører. Det vedtager fuld CNC -bearbejdning og ejer workshopområdet på 3600 kvadratmeter. 45 Automatiske maskinværktøjer, 35 semi-automatiske CNC-værktøjsmaskiner samt distributører, der er blevet vigtige leverandører til produktion af amerikanske standard messingdele i Kina ...
  • ære
  • ære

Instruktioner & Nyheder