legines.com
42# SAE 45 ° Flare Kvindelig stik messing Flare Fittings

42# SAE 45 ° Flare Kvindelig stik messing Flare Fittings

Produktfunktioner:
■■ Al messingkonstruktion
■■ Modstår vibrationer med brug af lang møtrik
■■ UL -liste
■■ Funktionelle krav fra SAE J512 og J513


Markeder: Ansøgninger:
■■ Køling ■■ Kølemiddellinjer
■■ Tung lastbil ■■ Propan
■■ Mobil ■■ Brændstof
■■ Industriel ■■ Adaptere
■■ Opvarmning ■■ Naturgas
■■ Aircondition

Referencedel nr:
46 -U3 -10227-10248

Kontakt os

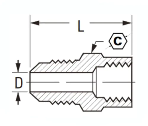
Specifikationer

DEL#

Flare O.D × Tråd

C

D

L

46-3a

3/16 × 1/8

9/16

.126

.58

46-4a

1/4 × 1/8

9/16

.189

.69

46-4b

1/4 × 1/4

11/16

.189

.79

46L-4B

1/4 × 1/4

11/16

.189

.88

46-4c

1/4 × 3/8

13/16

.189

1.06

46-4D

1/4 × 1/2

15/16

.189

1.31

46-5a

5/16 × 1/8

5/8

.219

1.38

46-5b

5/16 × 1/4

11/16

.219

1.44

46-5c

5/16 × 3/8

13/16

.219

1.69

46-6a

3/8 × 1/8

5/8

.282

1.88

46-6b

3/8 × 1/4

11/16

.282

1.87

46L-6B

3/8 × 1/4

13/16

.282

1.31

46-6c

3/8 × 3/8

13/16

.282

1.44

46-6d

3/8 × 1/2

1 "

.282

1.69

46L-6D

3/8 × 1/2

15/16

.282

1.44

46-8b

1/2 × 1/4

3/4

.408

1.60

46-8c

1/2 × 3/8

13/16

.408

1.62

46L-8C

1/2 × 3/8

13/16

.408

1.46

46-8d

1/2 × 1/2

1 "

.408

1.73

46L-8D

1/2 × 1/2

7/8

.408

1.62

46-8e

1/2 × 3/4

1-3/16

.408

1.75

46-10c

5/8 × 3/8

7/8

.500

1.79

46-10d

5/8 × 1/2

1 "

.500

1.98

46-12d

3/4 × 1/2

1-3/16

.625

2.17

46-12e

3/4 × 3/4

1-3/16

.625

2.08

"L" betyder lysmønster.

Disse fittings er fuldstændigt udskiftelige med fuld mønsterbeslag, men er blevet modificeret Insome Way.

Denne ændring er normalt i længden af rørtrådene, der bruges i VVS og lette industrielle applikationer

*Dimensionsdata kan ændre sig uden varsel

*Ref.Sae No.010103

SAE 45 ° Flare Connector er designet til let-til-medium-pligtapplikationer, der kræver høj pålidelighed. 46-U3 bruges til maksimalt tryk på 10.000 psi ved anvendelse af nitrilgummislange med neoprenforing. Dette stik har en tung møtrik, der modstår vibrationer og udvider produktets levetid. SAE -mandlig blussemontering bruger en bajonetlåsring, der ikke kræver nogen specielle værktøjer til at erstatte monteringen i tilfælde af fiasko eller vedligeholdelse.

Kontakt med os

Om Leginer

Legines Industrial Machinery Inc.

Som en professionel China Messingbeslag -producenter og skubbe på fittings -leverandører. Det vedtager fuld CNC -bearbejdning og ejer workshopområdet på 3600 kvadratmeter. 45 Automatiske maskinværktøjer, 35 semi-automatiske CNC-værktøjsmaskiner samt distributører, der er blevet vigtige leverandører til produktion af amerikanske standard messingdele i Kina ...
  • ære
  • ære

Instruktioner & Nyheder