legines.com
3350# 45 graders gade albue messing rør fittings

3350# 45 graders gade albue messing rør fittings

Produktfunktioner: Markeder:
■■ Al messingkonstruktion ■■ Industriel
■■ Opfylder funktionelle krav til ■■ Konstruktion
SAE J530 og SAE J531 ■■ Tung lastbil
■■ Tråde lavet til tørre standarder ■■ Mobil
■■ Både tilgivne og ekstruderinger til rådighed ■■ Fabrik/procesautomation

Anvendelser: Kompatibel rør:
■■ Luftlinjer ■■ Kobber
■■ Vandlinie ■■ Messing
■■ Kølelinjer ■■ Jernrør

Specifikationer:
Tryk varierer op til 1000 psi
Temperaturområde -65˚ til 250˚F

Typisk anvendelse:
Fedt, brændstoffer, LP og naturgas, køleskab. Instrumentation og hydrauliske systemer

Overensstemmelse:
Opfylder specifikationer og standarder for ASA, ASME og SAE.

Referencedel nr:
306 -3350 -2214p -224 -124a

Kontakt os

Specifikationer

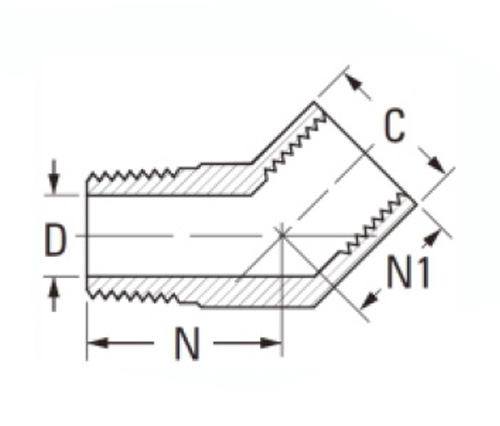
DEL# Trådstørrelse C D N N1
3350-A 1/8 × 1/8 9/16 .219 .50 .38
3350-B 1/4 × 1/4 11/16 .315 .74 .56
3350-c 3/8 × 3/8 13/16 .438 .78 .56
3350-D 1/2 × 1/2 1 " .562 1.00 .76
3350-e 3/4 × 3/4 1 "-1/4 .750 1.06 .75

*Ref.Sae No.130339

3350 er en 45 graders gade -albueformet montering. Tilpasningen er lavet til at blive brugt med en række forskellige rørmaterialer og kan modstå op til 1000 psi. Det har også et driftstemperaturområde mellem -65˚ og 250˚F.our 45 graders gade albue messingrørfittings er lavet til dine nøjagtige specifikationer fra vores team af erfarne fabrikanter. Gade -albuen er en rørfitting, der har to rørtråde i den ene ende, og den anden ende har en 90 ° bøjning i røret. Gadealbuerne bruges i mange forskellige brancher fra VVS til transport. Gade albuer er lavet i kvindelig eller mandlig konfiguration for at øge strømmen af væsker eller gasser over en række tryk, temperaturer og linjestørrelser efter behov af kunden.

Kontakt med os

Om Leginer

Legines Industrial Machinery Inc.

Som en professionel China Messingbeslag -producenter og skubbe på fittings -leverandører. Det vedtager fuld CNC -bearbejdning og ejer workshopområdet på 3600 kvadratmeter. 45 Automatiske maskinværktøjer, 35 semi-automatiske CNC-værktøjsmaskiner samt distributører, der er blevet vigtige leverandører til produktion af amerikanske standard messingdele i Kina ...
  • ære
  • ære

Instruktioner & Nyheder