legines.com
3750# messing fittings han kører tee messing rør fittings

3750# messing fittings han kører tee messing rør fittings

Produktfunktioner: Markeder:
■■ Al messingkonstruktion ■■ Industriel
■■ Opfylder funktionelle krav til ■■ Konstruktion
SAE J530 og SAE J531 ■■ Tung lastbil
■■ Tråde lavet til tørre standarder ■■ Mobil
■■ Både tilgivne og ekstruderinger til rådighed ■■ Fabrik/procesautomation

Anvendelser: Kompatibel rør:
■■ Luftlinjer ■■ Kobber
■■ Vandlinie ■■ Messing
■■ Kølelinjer ■■ Jernrør

Specifikationer:
Tryk varierer op til 1000 psi
Temperaturområde -65˚ til 250˚F

Typisk anvendelse:
Fedt, brændstoffer, LP og naturgas, køleskab. Instrumentation og hydrauliske systemer

Overensstemmelse:
Opfylder specifikationer og standarder for ASA, ASME og SAE.

Referencedel nr:
2225p -225 -3750 -326 -225 -127A -28245 ~ 28249

Kontakt os

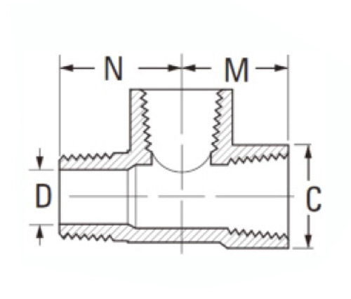
Specifikationer

DEL#

Trådstørrelse

C

D

M

N

3750-A

1/8

9/16

.219

.55

.66

3750-B

1/4

11/16

.312

.78

.90

3750-c

3/8

13/16

.438

.84

.97

3750-D

1/2

1 "

.562

1.09

1.25

3750-e

3/4

1 "-1/4

.750

1.38

1.38

*Ref.Sae.No.130424

#3750 Mandlige run -tee -fittings er fremstillet af messing og imødekommer behovene hos industrielle, fabriks/procesautomation og mobile applikationer. De giver en forbindelse til trykluftslinjer. Kompatibel rør fås i kobber, messing og jernrør. Markeder inkluderer markeder for byggeri, industrielle og tunge lastbiler. Kompatible materialer inkluderer luftlinjer, vandlinjer og kølelinjer. Disse messingbeslag findes i mandlige og kvindelige for din bekvemmelighed. Materialerne er stærke nok til at stå op til lækager og kraft, hvilket gør dem ideelle til enhver vejrforhold.  Hver montering er lavet med kobberrør, messing og andre kvalitetsmaterialer, der bringer styrke, holdbarhed og levetid til stykket.

Kontakt med os

Om Leginer

Legines Industrial Machinery Inc.

Som en professionel China Messingbeslag -producenter og skubbe på fittings -leverandører. Det vedtager fuld CNC -bearbejdning og ejer workshopområdet på 3600 kvadratmeter. 45 Automatiske maskinværktøjer, 35 semi-automatiske CNC-værktøjsmaskiner samt distributører, der er blevet vigtige leverandører til produktion af amerikanske standard messingdele i Kina ...
  • ære
  • ære

Instruktioner & Nyheder