legines.com
24 m presto manifold

24 m presto manifold

Produktfunktioner:
■■ Messing Collet
■■ Buna n o-ring
■■ Rustfrit stålrørstøtte
■■ Mødes D.O.T. FMVSS571.106
■■ Mødes SAE J2494-3
■■ Sammensat krop - stærk, let, kompakt og påvirkende resistent
■■ Plug-in-konfigurationer

Markeder:
■■ Tung lastbil
■■ Anhænger
■■ Mobil

Ansøgninger:
■■ Luftbremser
■■ Lufttanke
■■ Lufttur
■■ Sliders
■■ Dæk inflation
■■ Primære og sekundære linjer
■■ CAB kontrollerer

Kontakt os

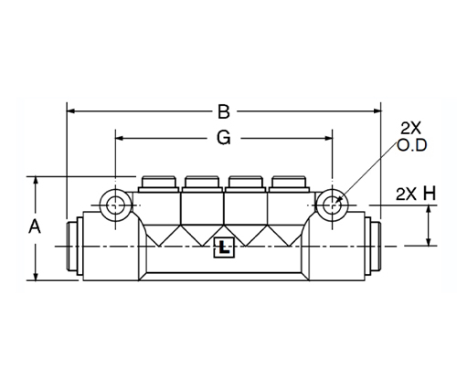
Specifikationer

DEL

Ingen.

Tube O.D

lnlet

Tube O.D

Outlet

EN B D G H M M1 N
24m-4-4 1/4 1/4 1.33 3.98 .21 2.75 .53 .90 .88 .89
24m-6-4 3/8 1/4 1.33 4.00 .21 2.75 .53 .90 .88 .89
24m-6-6 3/8 3/8 1.65 6.49 .22 4.55 .60 1.02 1.02 1.33
24m-8-8 1/2 1/2 1.65 6.49 .22 4.55 .60 1.02 1.02 1.33
24M-8-6-4-4-6-8 1/2 3/8 & 1/4 1.65 6.49 .22 4.55 .60 1.02 1.02 1.17

24M Presto Manifold er bygget til at levere let, hurtig og pålidelig service. Kompositlegeme med stærk, let, påvirkningsresistent og kompakt design giver styrke, mens den reducerer bulk. 24M Presto Manifold er designet til at imødekomme D.O.T FMVSS571.106, SAE J2494-3 Krav til applikationer med højt tryk. Dens Plug & Play -kapaciteter giver mulighed for maksimal alsidighed i enhver applikation.

Kontakt med os

Om Leginer

Legines Industrial Machinery Inc.

Som en professionel China Messingbeslag -producenter og skubbe på fittings -leverandører. Det vedtager fuld CNC -bearbejdning og ejer workshopområdet på 3600 kvadratmeter. 45 Automatiske maskinværktøjer, 35 semi-automatiske CNC-værktøjsmaskiner samt distributører, der er blevet vigtige leverandører til produktion af amerikanske standard messingdele i Kina ...
  • ære
  • ære

Instruktioner & Nyheder