legines.com
72# Brass Male Run Tee Compression Fittings

72# Brass Male Run Tee Compression Fittings

Messing Male Run Tee Compression Fittings 71

Ansøgninger: Markeder:
■■ Luftlinjer ■■ Industriel
■■ Smørelinjer ■■ Emballage
■■ Kølelinjer ■■ Pneumatisk
■■ Industri ■■ Trykning
■■ Maskineri
■■ Kompressorer
■■ Fluidoverførsel

Produktfunktioner:
■■ Opfylder funktionelle krav fra SAE J-512
■■ UL opført til brandfarlig væske
■■ Messing eller acetal muffe tilgængelig
■■ Intet rørforberedelse
■■ Smedede og ekstruderede former

71 -171c -71a -S71

Kontakt os

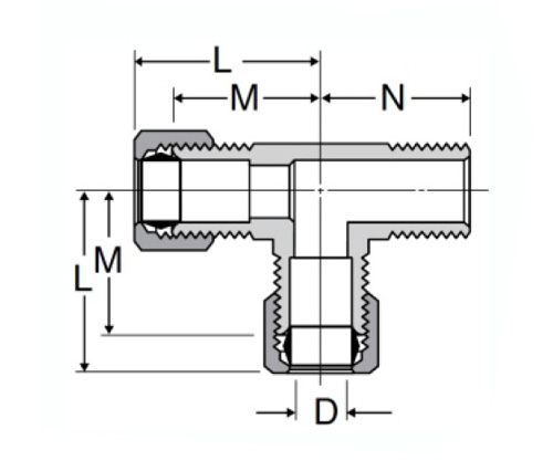
Specifikationer

DEL#

Tube O.D × Mand NPTF

M

N

D

71-3a

3/16 × 1/8

.63

.69

.125

71-4a

1/4 × 1/8

.63

.75

.188

71-4b

1/4 × 1/4

.69

.88

.188

71-5a

5/16 × 1/8

.72

.75

.250

71-5b

5/16 × 1/4

.75

.88

.250

71-6a

3/8 × 1/8

.75

.75

.312

71-6b

3/8 × 1/4

.79

.87

.312

71-6c

3/8 × 3/8

.88

1.00

.330

71-8c

1/2 × 3/8

.94

1.09

.406

71-8d

1/2 × 1/2

.97

1.19

.406

71-10d

5/8 × 1/2

1.06

1.31

.500

Vores 72# Brass Male Run tee-komprimeringsfittings opfylder funktionelle krav til SAE J-512 og er UL opført for brandfarlig væske. Disse fittings har ingen rørforberedelse og er smedet og ekstruderede former. De fås i en række materialer, herunder messing, plastik og metalmuffe. Den har en messing- eller acetalshylster og kan bruges i forskellige applikationer, såsom underbygninger, transmissioner og brændstofsystemer. Intet rørforberedelse er påkrævet.

Kontakt med os

Om Leginer

Legines Industrial Machinery Inc.

Som en professionel China Messingbeslag -producenter og skubbe på fittings -leverandører. Det vedtager fuld CNC -bearbejdning og ejer workshopområdet på 3600 kvadratmeter. 45 Automatiske maskinværktøjer, 35 semi-automatiske CNC-værktøjsmaskiner samt distributører, der er blevet vigtige leverandører til produktion af amerikanske standard messingdele i Kina ...
  • ære
  • ære

Instruktioner & Nyheder