legines.com
72# komprimeringsfittings mandlig gren tee

72# komprimeringsfittings mandlig gren tee

Ansøgninger: Markeder:
■■ Luftlinjer ■■ Industriel
■■ Smørelinjer ■■ Emballage
■■ Kølelinjer ■■ Pneumatisk
■■ Industri ■■ Trykning
■■ Maskineri
■■ Kompressorer
■■ Fluidoverførsel

Produktfunktioner:
■■ Opfylder funktionelle krav fra SAE J-512
■■ UL opført til brandfarlig væske
■■ Messing eller acetal muffe tilgængelig
■■ Intet rørforberedelse
■■ Smedede og ekstruderede former

Referencedel nr:
72 -172c -S72 -72A

Kontakt os

Specifikationer

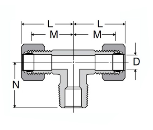
DEL#

Tube O.D × Male NPTF

M

N

D

72-3a

3/16 × 1/8

.63

.69

.125

72-4a

1/4 × 1/8

.63

.75

.188

72-4b

1/4 × 1/4

.69

.88

.188

72-5A

5/16 × 1/8

.72

.75

.250

72-5b

5/16 × 1/4

.75

.88

.250

72-6a

3/8 × 1/8

.75

.75

.312

72-6b

3/8 × 1/4

.79

.87

.312

72-6c

3/8 × 3/8

.88

1.00

.330

72-8c

1/2 × 3/8

.94

1.09

.406

72-8d

1/2 × 1/2

.97

1.19

.406

72-10d

5/8 × 1/2

1.06

1.31

.500

Alle kompressionsfittings er fremstillet for at imødekomme eller overskride de funktionelle krav i SAE J-512 og UL, der er anført for brandfarlig væske. De er lavet af aluminiumslegering, messing eller acetal. Vores smedede og ekstruderede former har en høj grad af modstand mod skader, der normalt ville forekomme i mere konventionelle fittings. Vi vil lave enhver form, du kan forestille dig op til en maksimal diameter på 2 ”.
Komprimeringsfittings Male Branch-tee er en 90 ° gren-type tee-montering til brug med kobber, rustfrit stål og termoplastisk rør. Albuen drejes 360 ° for at gøre det lettere at oprette forbindelse til hårde vinkler og tee -rør.

Kontakt med os

Om Leginer

Legines Industrial Machinery Inc.

Som en professionel China Messingbeslag -producenter og skubbe på fittings -leverandører. Det vedtager fuld CNC -bearbejdning og ejer workshopområdet på 3600 kvadratmeter. 45 Automatiske maskinværktøjer, 35 semi-automatiske CNC-værktøjsmaskiner samt distributører, der er blevet vigtige leverandører til produktion af amerikanske standard messingdele i Kina ...
  • ære
  • ære

Instruktioner & Nyheder