legines.com
3400# messingrørfittings 90 graders gade albue

3400# messingrørfittings 90 graders gade albue

Produktfunktioner: Markeder:
■■ Al messingkonstruktion ■■ Industriel
■■ Opfylder funktionelle krav til ■■ Konstruktion
SAE J530 og SAE J531 ■■ Tung lastbil
■■ Tråde lavet til tørre standarder ■■ Mobil
■■ Både tilgivne og ekstruderinger til rådighed ■■ Fabrik/procesautomation

Anvendelser: Kompatibel rør:
■■ Luftlinjer ■■ Kobber
■■ Vandlinie ■■ Messing
■■ Kølelinjer ■■ Jernrør

Specifikationer:
Tryk varierer op til 1000 psi
Temperaturområde -65˚ til 250˚F

Typisk anvendelse:
Fedt, brændstoffer, LP og naturgas, køleskab. Instrumentation og hydrauliske systemer

Overensstemmelse:
Opfylder specifikationer og standarder for ASA, ASME og SAE.

Referencedel nr:
2202p -3400 -304 -115 -202 -116A -28156 til 2816

Kontakt os

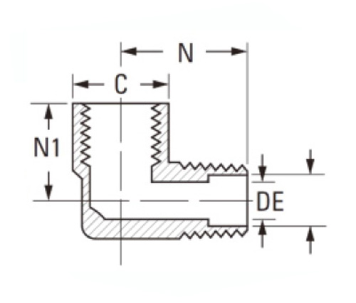
Specifikationer

DEL# Trådstørrelse C D N N1
3400-AA 1/8 × 1/8 9/16 .219 .66 .47
3400-Bb 1/4 × 1/4 11/16 .315 .91 .72
3400-cc 3/8 × 3/8 13/16 .438 .97 .78
3400-DD 1/2 × 1/2 1 " .562 1.25 1.03
3400-EE 3/4 × 3/4 1-1/4 .750 1.38 1.12

Ref.Sae No.130239

3400# messingrørfittings 90 graders gade albue er lavet af al messingkonstruktion og kompatibel med både smedninger og ekstruderinger; Fittings i industriel kvalitet, der opfylder de funktionelle krav i SAE J530 og SAE J531; Marked: Konstruktion, kraftig lastbil og mobil. Begge standarder følges for at arbejde på mobile applikationer, der er termoplastisk gummi (TPR) er blevet udviklet til brug i bilindustrien, industrielle og kommercielle applikationer, hvor CPVC er uforenelig. Denne svejsningsende 90 graders gade albue er velegnet til brug i hydrauliske systemer, især når man arbejder under ekstremt tryk. Det fås i en lang række størrelser og har enestående korrosionsbestandighed. Denne montering bruges til at forbinde luftlinjer, der består af kobberrør. Den har en 90 graders vinkel og er lavet af messing, så den kan modstå barske vejrforhold.

Kontakt med os

Om Leginer

Legines Industrial Machinery Inc.

Som en professionel China Messingbeslag -producenter og skubbe på fittings -leverandører. Det vedtager fuld CNC -bearbejdning og ejer workshopområdet på 3600 kvadratmeter. 45 Automatiske maskinværktøjer, 35 semi-automatiske CNC-værktøjsmaskiner samt distributører, der er blevet vigtige leverandører til produktion af amerikanske standard messingdele i Kina ...
  • ære
  • ære

Instruktioner & Nyheder