legines.com
3151# messing fittings firkantet hovedstikrør fittings

3151# messing fittings firkantet hovedstikrør fittings

Produktfunktioner: Markeder:
■■ Al messingkonstruktion ■■ Industriel
■■ Opfylder funktionelle krav til ■■ Konstruktion
SAE J530 og SAE J531 ■■ Tung lastbil
■■ Tråde lavet til tørre standarder ■■ Mobil
■■ Både tilgivne og ekstruderinger til rådighed ■■ Fabrik/procesautomation

Anvendelser: Kompatibel rør:
■■ Luftlinjer ■■ Kobber
■■ Vandlinie ■■ Messing
■■ Kølelinjer ■■ Jernrør

Specifikationer:
Tryk varierer op til 1000 psi
Temperaturområde -65˚ til 250˚F

Typisk anvendelse:
Fedt, brændstoffer, LP og naturgas, køleskab. Instrumentation og hydrauliske systemer

Overensstemmelse:
Opfylder specifikationer og standarder for ASA, ASME og SAE.

Referencedel nr:
3151 -211p -109a -109b

Kontakt os

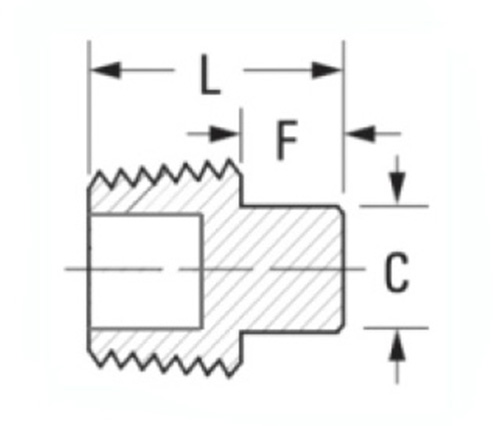
Specifikationer

DEL#

Trådstørrelse

C

F

L

3151-A

1/8

.28

.24

.58

3151-B

1/8

.37

.29

.80

*3151L-B

1/4

.37

.29

.80

3151-C

3/8

.43

.32

.80

3151L-C

3/8

.43

.32

.80

3151-d

1/2

.56

.39

1.07

*3151L-D

1/2

.56

.39

1.07

3151-e

3/4

.62

.43

1.11

*3151L-E

3/4

.62

.43

1.11

*Hul

Vores 3151 -serie tilbyder et komplet udvalg af rørbeslag, der bruges i luftlinjer, vandlinjer og smøresystemer. Disse messingbeslag er fremstillet af SAE J530 og SAE J531 -materialer til at imødekomme dit arbejdstryk og temperaturer for pålidelig levetid. Fittings har både smarte og ekstruderinger tilgængelige, såvel som korrosionsbestandige pletteringsdæksler, der kan males til enhver OEM -standard. All messingkonstruktion giver overlegen korrosionsbestandighed og styrke. Denne montering opfylder J530 -standarden og er kompatibel med tørre rørtråd. Uanset om du bygger en ny luftlinie eller erstatter ældre metalfittings med moderne teknologi, vil disse holdbare fittings hjælpe dig med at få jobbet gjort rigtigt.
Det firkantede hovedstikfittings er fremstillet af messing og kan bruges i forskellige applikationer, herunder kølelinjer, vandlinjer, luftlinjer og elektroniske forbindelser. Hver montering er kompatibel med kobberrør eller jernrør samt messingrør.

Kontakt med os

Om Leginer

Legines Industrial Machinery Inc.

Som en professionel China Messingbeslag -producenter og skubbe på fittings -leverandører. Det vedtager fuld CNC -bearbejdning og ejer workshopområdet på 3600 kvadratmeter. 45 Automatiske maskinværktøjer, 35 semi-automatiske CNC-værktøjsmaskiner samt distributører, der er blevet vigtige leverandører til produktion af amerikanske standard messingdele i Kina ...
  • ære
  • ære

Instruktioner & Nyheder