legines.com
3500# messingfittings 90 graders albue rør fittings

3500# messingfittings 90 graders albue rør fittings

Produktfunktioner: Markeder:
■■ Al messingkonstruktion ■■ Industriel
■■ Opfylder funktionelle krav til ■■ Konstruktion
SAE J530 og SAE J531 ■■ Tung lastbil
■■ Tråde lavet til tørre standarder ■■ Mobil
■■ Både tilgivne og ekstruderinger til rådighed ■■ Fabrik/procesautomation

Anvendelser: Kompatibel rør:
■■ Luftlinjer ■■ Kobber
■■ Vandlinie ■■ Messing
■■ Kølelinjer ■■ Jernrør

Specifikationer:
Tryk varierer op til 1000 psi
Temperaturområde -65˚ til 250˚F

Typisk anvendelse:
Fedt, brændstoffer, LP og naturgas, køleskab. Instrumentation og hydrauliske systemer

Overensstemmelse:
Opfylder specifikationer og standarder for ASA, ASME og SAE.

Referencedel nr:
2200p -3500 -302 -200 -28001 til 28005 -100

Kontakt os

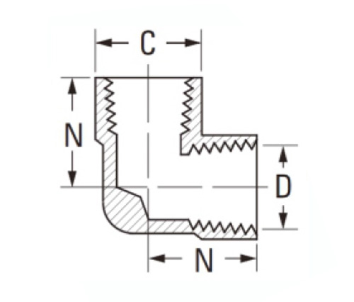
Specifikationer

DEL# Trådstørrelse C D N N
3500-A 1/8 × 1/8 9/16 .219 .66 .47
3500-b 1/4 × 1/4 11/16 .315 .91 .72
3500-C 3/8 × 3/8 13/16 .438 .97 .78
3500-D 1/2 × 1/2 1 " .562 1.25 1.03
3500-e 3/4 × 3/4 1 "-1/4 .750 1.38 1.12

Ref.Sae No.130238

Fremstillet af messing er vores 90-graders albuer fremstillet for at imødekomme behovene i industrielle og konstruktionsapplikationer. Forged messing er mere holdbar, sværere og mindre tilbøjelig til at bøje sig end ekstruderede produkter. Vores bronzefittings har også bedre modstand mod chok og vibrationer. Vi tilbyder både smedte og ekstruderede rørbeslag til projekter i alle brancheapplikationer, herunder luftlinjer, vandlinjer, kølevinjer og mere. Messingbeslag fremstilles med de højeste kvalitetsstandarder. From the forging process to threading and end finishing, each stage is checked with precision tools. Disse fittings opfylder funktionelle krav fra SAE J530 og SAE J531, mens de er kompatible med SAE -standard SAE J514 og ASME B16.21. Vores 90 graders albuer er fremstillet af messing af høj kvalitet, hvilket giver en stærk og holdbar struktur. Vi tilbyder både fabriks- og lastbilmonteringsmuligheder med to forskellige Barb -konfigurationer for at rumme store bærende rørstørrelser. Uanset om du leder efter en udskiftning eller vil opgradere dit system, kan crouse-hinds hjælpe.

Kontakt med os

Om Leginer

Legines Industrial Machinery Inc.

Som en professionel China Messingbeslag -producenter og skubbe på fittings -leverandører. Det vedtager fuld CNC -bearbejdning og ejer workshopområdet på 3600 kvadratmeter. 45 Automatiske maskinværktøjer, 35 semi-automatiske CNC-værktøjsmaskiner samt distributører, der er blevet vigtige leverandører til produktion af amerikanske standard messingdele i Kina ...
  • ære
  • ære

Instruktioner & Nyheder