legines.com
3600# messing fittings gren tee messing rør fittings

3600# messing fittings gren tee messing rør fittings

Produktfunktioner: Markeder:
■■ Al messingkonstruktion ■■ Industriel
■■ Opfylder funktionelle krav til ■■ Konstruktion
SAE J530 og SAE J531 ■■ Tung lastbil
■■ Tråde lavet til tørre standarder ■■ Mobil
■■ Både tilgivne og ekstruderinger til rådighed ■■ Fabrik/procesautomation

Anvendelser: Kompatibel rør:
■■ Luftlinjer ■■ Kobber
■■ Vandlinie ■■ Messing
■■ Kølelinjer ■■ Jernrør

Specifikationer:
Tryk varierer op til 1000 psi
Temperaturområde -65˚ til 250˚F

Typisk anvendelse:
Fedt, brændstoffer, LP og naturgas, køleskab. Instrumentation og hydrauliske systemer

Overensstemmelse:
Opfylder specifikationer og standarder for ASA, ASME og SAE.

Referencedel nr:
2224p -3600 -T9 -X106 -226 -329 -128 -28281 ~ 28285

Kontakt os

Specifikationer

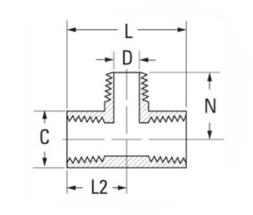
DEL# Trådstørrelse C D L2 N
3600-A F1/8 × M1/8 9/16 .219 1.10 .66
3600-B F1/4 × M1/4 11/16 .315 1.56 .91
3600-C F3/8 × M3/8 13/16 .438 1.68 .97
3600-D F1/2 × M1/2 1 " .562 2.18 1.25
3600-e F3/4 × M3/4 1 "-1/4 .750 2.31 1.38

*Ref.Sae No.130425

Tunggren -tee -fittings er lavet af tung messing messing, fremstillet til SAE J530 og SAE J531 standarder. De fås i både smede og ekstruderinger, hvilket giver os alsidigheden til at tilbyde en lang række muligheder for vores kunder. Disse grentees er konstrueret med både tryk- og temperaturvurderinger og er egnede til brug i stort set enhver industriel proces. Begge mærker af slanger kan bruges med succes med denne montering. Vores linje af kobber & messinggren Tee Fittings giver dig overlegen kvalitet og pålidelig ydelse i det bredeste applikationsområde. Vores kvalificerede ingeniører kan hjælpe dig med at vælge det bedste produkt eller designe et system til at imødekomme dine specifikke behov.

Kontakt med os

Om Leginer

Legines Industrial Machinery Inc.

Som en professionel China Messingbeslag -producenter og skubbe på fittings -leverandører. Det vedtager fuld CNC -bearbejdning og ejer workshopområdet på 3600 kvadratmeter. 45 Automatiske maskinværktøjer, 35 semi-automatiske CNC-værktøjsmaskiner samt distributører, der er blevet vigtige leverandører til produktion af amerikanske standard messingdele i Kina ...
  • ære
  • ære

Instruktioner & Nyheder