legines.com
3700# messing fittings union tee messing rør fittings

3700# messing fittings union tee messing rør fittings

Produktfunktioner: Markeder:
■■ Al messingkonstruktion ■■ Industriel
■■ Opfylder funktionelle krav til ■■ Konstruktion
SAE J530 og SAE J531 ■■ Tung lastbil
■■ Tråde lavet til tørre standarder ■■ Mobil
■■ Både tilgivne og ekstruderinger til rådighed ■■ Fabrik/procesautomation

Anvendelser: Kompatibel rør:
■■ Luftlinjer ■■ Kobber
■■ Vandlinie ■■ Messing
■■ Kølelinjer ■■ Jernrør

Specifikationer:
Tryk varierer op til 1000 psi
Temperaturområde -65˚ til 250˚F

Typisk anvendelse:
Fedt, brændstoffer, LP og naturgas, køleskab. Instrumentation og hydrauliske systemer

Overensstemmelse:
Opfylder specifikationer og standarder for ASA, ASME og SAE.

Referencedel nr:
2203p -3700 -322 -203 -311 -101A -28024 ~ 28028 -101A

Kontakt os

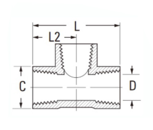
Specifikationer

DEL#

Trådstørrelse

C

D

L2

L

3700-A

1/8

9/16

.339

.55

1.10

3700-B

1/4

11/16

.438

.78

1.56

3700-C

3/8

13/16

.516

.84

1.68

3700-D

1/2

1 "

.703

1.09

2.18

3700-e

3/4

1 "-1/4

.906

1.38

2.31

*Ref.Sae.No.130438

Denne union -tee -montering er konstrueret 100% af messing og opfylder de funktionelle krav i SAE J530, SAE J531, SAE J519 og SAE J529. Det er til brug i mobiludstyr og konstruktionsapplikationer. Fagforeningerne tillader let samling og demontering under rengøring eller reparationer. Trådede forbindelser er skabt til tørre standarder for at forhindre lækage. Når det kommer til design og konstruktion af dit rørsystem, er 3700# Brass Fittings Union Tee svaret. Det vil bringe et professionelt, holdbart look til dit projekt, mens du udvider dine muligheder, når det kommer til installation. Denne tee passer op til 3/4 "slange. Kroppen og hætterne er lavet af messing, hvilket gør denne passende modstand mod korrosion og rust. Dette produkt har en trykbedømmelse på 1000 psi og er bakket op af vores livstidsgaranti. .

Kontakt med os

Om Leginer

Legines Industrial Machinery Inc.

Som en professionel China Messingbeslag -producenter og skubbe på fittings -leverandører. Det vedtager fuld CNC -bearbejdning og ejer workshopområdet på 3600 kvadratmeter. 45 Automatiske maskinværktøjer, 35 semi-automatiske CNC-værktøjsmaskiner samt distributører, der er blevet vigtige leverandører til produktion af amerikanske standard messingdele i Kina ...
  • ære
  • ære

Instruktioner & Nyheder