legines.com
1565 skub i Connect Fittings albue

1565 skub i Connect Fittings albue

Produktfunktioner:
■■ Messing Collet
■■ Buna n o-ring
■■ Rustfrit stålrørstøtte
■■ Mødes D.O.T. FMVSS571.106
■■ Mødes SAE J2494 & SAE J2494-3

Markeder:
■■ Tung lastbil
■■ Anhænger
■■ Mobil

Ansøgninger:
■■ Luftbremser
■■ Lufttanke
■■ Lufttur
■■ Sliders
■■ Dæk inflation
■■ Primære og sekundære linjer

Kompatibel rør:
■■ SAE J844 Type A & B nylonrør

Referencedel nr:
AQ65DOT -165PMT -1865 -DQ65DOT -1565 -DOT

Kontakt os

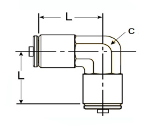
Specifikationer

DEL# Tube O.D C L
1565-DOT-4 1/4 3/8 .92
1565-DOT-6 3/8 1/2 .96
1565-DOT-8 1/2 5/8 1.16
1565-DOT-10 5/8 11/16 1.19
1565-DOT-12 3/4 15/16 1.40

Skub montering til SAE J844 Type A, B, C og D Nylonrør. Brugt med Buna O-ring og rørstøtter i rustfrit stål for at muliggøre sikker installation af slanger såsom luftbremser, servostyringslinjer og mere. Tilpasningen er fremstillet med materialer af høj kvalitet for at sikre korrekt funktionalitet og lang levetid.1565 Push in Connect Fittings Albow er en passende, der bruges med gummisør. Det har en messingkollet. Denne montering er fremstillet af TUSA P/N: 1565-DOT.PNEUMATIC Connect Fittings bruges sammen med rør for at skabe en barrierefri, permanent eller midlertidig samling, der bruger standard pneumatiske komponenter.

Kontakt med os

Om Leginer

Legines Industrial Machinery Inc.

Som en professionel China Messingbeslag -producenter og skubbe på fittings -leverandører. Det vedtager fuld CNC -bearbejdning og ejer workshopområdet på 3600 kvadratmeter. 45 Automatiske maskinværktøjer, 35 semi-automatiske CNC-værktøjsmaskiner samt distributører, der er blevet vigtige leverandører til produktion af amerikanske standard messingdele i Kina ...
  • ære
  • ære

Instruktioner & Nyheder