legines.com
1570 D.O.T 90 ° albueadapter

1570 D.O.T 90 ° albueadapter

Produktfunktioner:
■■ Messing Collet
■■ Buna n o-ring
■■ Rustfrit stålrørstøtte
■■ Mødes D.O.T. FMVSS571.106
■■ Mødes SAE J2494 & SAE J2494-3

Markeder:
■■ Tung lastbil
■■ Anhænger
■■ Mobil

Ansøgninger:
■■ Luftbremser
■■ Lufttanke
■■ Lufttur
■■ Sliders
■■ Dæk inflation
■■ Primære og sekundære linjer

Kompatibel rør:
■■ SAE J844 Type A & B nylonrør

Referencedel nr:
AQ70DOT -170 pmt -1870 -DQ70DOT -1570DOT

Kontakt os

Specifikationer

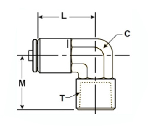
DEL#

Tube O.D × Femlae NPTF

C

M

L

1570-DOT-4A

1/4 × 1/8

3/8

.82

.92

1570-DOT-4B

1/4 × 1/4

1/2

.94

.102

1570-DOT-4C

1/4 × 3/8

5/8

.98

1.11

1570-DOT-6B

3/8 × 1/4

1/2

.94

.96

1570-DOT-6C

3/8 × 3/8

5/8

.91

.98

1570-DOT-8D

1/2 × 1/2

5/8

1.21

1.14

SAE J1570 Dot 90 ° albueadapter har en messingkollet og buna n type O-ring til lækagefri tilknytning og let installation, mens supporten i rustfrit stål røret sikrer holdbarhed. Det møder D.O.T. Krav, møde FMVSS571.106, SAE J2494 & SAE J2494-3 Specifikationer til brug med SAE J844 Type A & B nylonrør i tungt lastbil, trailer og mobile applikationer. Denne 90 ° messing Elbue Adapter er en solid forbindelse mellem to stykker af 3/16 Sae Air Brake Tubing. Den lave profildesign af denne adapter giver den mulighed for at passe i trange rum, mens den stadig er stærk nok til at imødekomme DOT -specifikation. Denne messingalbue er designet til at blive monteret i slutningen af dine luftlinjer, så de kan dreje hjørner på stramme steder. Det er lavet af korrosionsbestandige materialer og indeholder et støttør i rustfrit stål, der holder det robust.

Kontakt med os

Om Leginer

Legines Industrial Machinery Inc.

Som en professionel China Messingbeslag -producenter og skubbe på fittings -leverandører. Det vedtager fuld CNC -bearbejdning og ejer workshopområdet på 3600 kvadratmeter. 45 Automatiske maskinværktøjer, 35 semi-automatiske CNC-værktøjsmaskiner samt distributører, der er blevet vigtige leverandører til produktion af amerikanske standard messingdele i Kina ...
  • ære
  • ære

Instruktioner & Nyheder