legines.com
131 stål inverteret bremselinjeplug

131 stål inverteret bremselinjeplug

Produktfunktioner:
■■ Al messingkonstruktion
■■ UL opført til brandfarlig væske og gas
■■ Opfylder funktionelle krav fra SAE J512
■■ Stålmøtrik til økonomi

Markeder: Applikationer:
■■ Aircondition ■■ Kølemiddellinjer
■■ Marine ■■ Bremselinjer
■■ Mobil ■■ Brændstoflinjer
■■ Motorer

Kompatibel rør:
■■ Kobber
■■ Messing
■■ Aluminium
■■ Svejset stål hydraulisk rør

Kontakt os

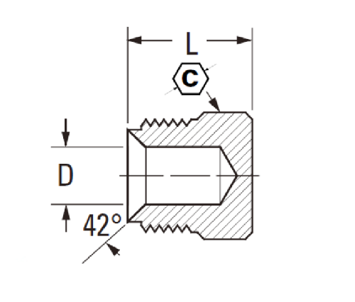
Specifikationer

DEL#

Tube O.D

C

D

L

131-3

3/16 3/8 .188

.53

131-4

1/4 7/16 .188 .54

131-5

5/16 1/2 .250 .59

131-6

3/8 5/8 .312 .66

*Ref.Sae No.040109 BA

Vores 131 -serie af messinginverterede bremselinjefittings er designet specifikt til gas- og brændstoflinjer. Det omvendte design giver en lækagefri forbindelse i stramme applikationer.
Det 131 stålinverterede bremselinjeplug er en brand- eller benzin-kompatibel, inverteret skruenøgle-stil, designet til at forsegle terminalens ende af fleksibelt slange. Det er lavet af zinkbelagt stål til korrosionsbestandighed og en integreret plastindsats, der tilbyder styrke mod forvrængning. Fås også med en messingkonstruktion.
Dette produkt er et messing- og stålbelagt stik med inverteret flare -montering. Det er lavet til at acceptere 1/8. rør. Dimensionen er .53 "diameter med .54" dyb, denne stikstil kan kun bruges på kobber-, stål- og aluminiumsrør.
Økonomi er ofte navnet på spillet i bremselinieapplikationer. Og der er ingen bedre måde at spare penge på end med dette linjeplug, der holder frisk luft ude af dine linjer, men alligevel ser godt ud og vil vare i årene fremover. Med en stålmøtrik og messing tønde er det sikker på at imødekomme dine behov.

Kontakt med os

Om Leginer

Legines Industrial Machinery Inc.

Som en professionel China Messingbeslag -producenter og skubbe på fittings -leverandører. Det vedtager fuld CNC -bearbejdning og ejer workshopområdet på 3600 kvadratmeter. 45 Automatiske maskinværktøjer, 35 semi-automatiske CNC-værktøjsmaskiner samt distributører, der er blevet vigtige leverandører til produktion af amerikanske standard messingdele i Kina ...
  • ære
  • ære

Instruktioner & Nyheder