legines.com
105 stålrørmøtrikmontering

105 stålrørmøtrikmontering

Produktfunktioner:
■■ Al messingkonstruktion
■■ UL opført til brandfarlig væske og gas
■■ Opfylder funktionelle krav fra SAE J512
■■ Stålmøtrik til økonomi

Markeder: Applikationer:
■■ Aircondition ■■ Kølemiddellinjer
■■ Marine ■■ Bremselinjer
■■ Mobil ■■ Brændstoflinjer
■■ Motorer

Kompatibel rør:
■■ Kobber
■■ Messing
■■ Aluminium
■■ Svejset stålhydraulisk rør

Referencedel nr:
2015 -411FS -105 -41W

Kontakt os

Specifikationer

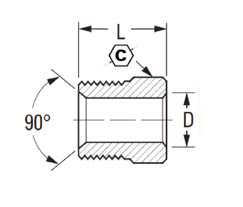
DEL#

Tube O.D

C

D

L

105-3

3/16 5/16 .196

.56

105-4

1/4 3/8 .259 .56

105-5

5/16 7/16 .321 .62

105-6

3/8 5/8 .384 .66

105-8

1/2

3/4

.508

.74

105-10

5/8

7/8

.632

.80

105-12

3/4

1-1/16

.757

.88

105 -serien er en lavpris -flare -montering. Det er lavet af messing og har funktionerne i brandfarlige væske- og gaslinjer. 105 -serien inkluderer stålmøtrikker til økonomi, der fås i mange størrelser. Det kan også prale af kompatibilitet med adskillige rørmaterialer, herunder kobber, messing, aluminium og svejset stålhydraulisk rør.
Del nr.: 2015 - 411FS - 105 - 41W er fremstillet af Miller Welder for at hjælpe med at gøre det industrielle og det kommercielle miljø mere sikre, mere effektive og overkommelige. Del nr.: 2015 - 411FS - 105 - 41W er UL -klassificeret til brandfarlige væsker og gasser. Dette produkt er lavet af en høj kvalitet messing, der ikke korroderer eller rust i brug.
105 stålrørmøtrikflare -montering leverer et langvarigt produkt med en 1/2 "mandlig NPT -montering og en 3/8" bluss. Det er lavet af alle messingkonstruktion af høj kvalitet, møde eller overskride alle relevante koder for ANSI B16.11 og SAE J512. Dette produkt er designet til brug i følgende applikationer: aircondition (inklusive Automotive AC -linjer), kølemiddellinjer og kølemiddelolielinjer, marine, bremselinjer, mobile brændslinjer, motorer osv.
Denne 3/4 "x 3/4" x 8 "stålmøtrikflader-montering med trykforseglingspakning kan hjælpe dig med at få pålideligheden, holdbarheden og sikkerheden, du kræver fra dine industrielle rørlinjer. En støbe-messing krop og en solid messing drejelig gør denne montering ekstra holdbar, mens en lækagefri stålmøtrik hjælper med at forhindre eventuelle korrosionsproblemer. .

Kontakt med os

Om Leginer

Legines Industrial Machinery Inc.

Som en professionel China Messingbeslag -producenter og skubbe på fittings -leverandører. Det vedtager fuld CNC -bearbejdning og ejer workshopområdet på 3600 kvadratmeter. 45 Automatiske maskinværktøjer, 35 semi-automatiske CNC-værktøjsmaskiner samt distributører, der er blevet vigtige leverandører til produktion af amerikanske standard messingdele i Kina ...
  • ære
  • ære

Instruktioner & Nyheder