legines.com
302 Messing Brake Line Union Fitting

302 Messing Brake Line Union Fitting

Produktfunktioner:
■■ Al messingkonstruktion
■■ UL opført til brandfarlig væske og gas
■■ Opfylder funktionelle krav fra SAE J512
■■ Stålmøtrik til økonomi

Markeder: Applikationer:
■■ Aircondition ■■ Kølemiddellinjer
■■ Marine ■■ Bremselinjer
■■ Mobil ■■ Brændstoflinjer
■■ Motorer

Kompatibel rør:
■■ Kobber
■■ Messing
■■ Aluminium
■■ Svejset stålhydraulisk rør

Referencedel nr:
302 -2300 -42ifhd

Kontakt os

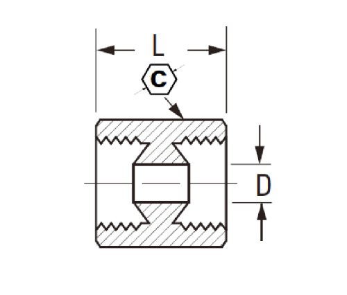
Specifikationer

DEL#

Inv.flare × inv.flare

C

D

L

302-2

1/8 13/32 .78

.59

302-3

3/16 15/32 .125

.62

302-4 1/4 17/32 .188 .62

302-5

5/16 19/32 .219 .70

302-6

3/8 3/4 .281 .80
302-8 1/2

29/32

.406

.91

*Ref.Sae No.040101 BA

Denne fagforeningsmontering bruges til alle typer applikationer, såsom klimaanlæg, kølemiddellinjer, marine, mobile brændstoflinjer, motorer og transmissioner. Det er sammensat af messingkonstruktion og har en stålmøtrik til økonomi.
Den 302-serie messingfleksible linjeunionens montering bruges til at forbinde sektioner af slangen med flare. 302 -serien er ideel til bremselinjer, brændstoflinjer og kølelinjer. Stålmøtrikken bruges til at fastgøre linjen Unionen på plads. 302-serien er designet til brug med kobber- og aluminiumsrør.
Denne messingforening, der passer, giver dig mulighed for hurtigt og pålideligt at forbinde sektioner af slanger. Det er lavet af messing, som er varmebestandig og korrosionsfri. Det er let at installere takket være sin Norprene -gummipakning, der giver en tæt tætning mellem slutbeslagene, reducerer lækager eller lækager. Unionens montering er kompatibel med rør lavet af kobber, messing eller aluminium.
Denne union giver et middel til forbindelsen af to stykker slange. Hovedkroppen er lavet af messing med en stålmøtrik til økonomi. Det pyntede indløb, der er trådt ind i et rør, passer i en rille i kroppen af unionens montering og svingede på en messingflare. Det andet rør går gennem en ekstern rille for at være sikkert fastgjort af en intern pin, der også kan placeres i sin egen rille, hvis det ønskes.

Kontakt med os

Om Leginer

Legines Industrial Machinery Inc.

Som en professionel China Messingbeslag -producenter og skubbe på fittings -leverandører. Det vedtager fuld CNC -bearbejdning og ejer workshopområdet på 3600 kvadratmeter. 45 Automatiske maskinværktøjer, 35 semi-automatiske CNC-værktøjsmaskiner samt distributører, der er blevet vigtige leverandører til produktion af amerikanske standard messingdele i Kina ...
  • ære
  • ære

Instruktioner & Nyheder