legines.com
100 messing inverteret flare monteringsrørmøtrik

100 messing inverteret flare monteringsrørmøtrik

Produktfunktioner:
■■ Al messingkonstruktion
■■ UL opført til brandfarlig væske og gas
■■ Opfylder funktionelle krav fra SAE J512
■■ Stålmøtrik til økonomi

Markeder: Applikationer:
■■ Aircondition ■■ Kølemiddellinjer
■■ Marine ■■ Bremselinjer
■■ Mobil ■■ Brændstoflinjer
■■ Motorer

Kompatibel rør:
■■ Kobber
■■ Messing
■■ Aluminium
■■ Svejset stålhydraulisk rør

Referencedel nr:
2100 41if -100 -41ib

Kontakt os

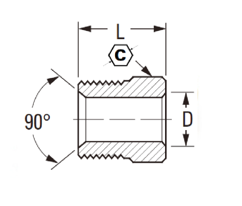
Specifikationer

DEL#

Tube O.D

C

D

L

100-3

3/16 3/8 .196

.56

100-4

1/4 7/16 .259 .56

100-5

5/16 1/2 .321 .62

100-6

3/8 5/8 .384 .66

100-8

1/2

3/4

.508

.74

*Ref.Sae No.040110 BA

Robust og økonomisk og økonomisk er denne omvendte flare -fitting lavet af messing. Tilpasningen inkluderer en stålmøtrik til sikkerhed og kan bruges med kobber, messing eller aluminiumslange. Det opfylder alle funktionelle krav fra SAE J512.
Konstruktion af hele mass, 100% ASME B16.28, SAE J512 & SAE J5195.0 Kompressorfittings er designet til brug i høje temperaturpåføringer af damp og vand. Blæser rørkompatibilitet, det kan forbindes til ethvert stålrør eller rør op til 25 mm (25 millimeter).
Denne omvendte blussemonteringsmøtrik, almindeligvis kendt som en kobling, er designet til at forbinde to stykker slange i det samme plan. Monteringen bruger en stålmøtrik med en blussende, der passer ind i den kvindelige flare -montering i den anden ende af røret. Disse fittings bruges i vid udstrækning i en række applikationer fra aircondition til marine og mobile dieselmotorer.
Tungt - Disse invertering af blussfittings er lavet udelukkende af messing og er specielt designet til at blive brugt med enten kobber- eller aluminiumsrør. Hver montering er helt justerbar, og den tunge konstruktion sikrer holdbarhed under brugen.

Kontakt med os

Om Leginer

Legines Industrial Machinery Inc.

Som en professionel China Messingbeslag -producenter og skubbe på fittings -leverandører. Det vedtager fuld CNC -bearbejdning og ejer workshopområdet på 3600 kvadratmeter. 45 Automatiske maskinværktøjer, 35 semi-automatiske CNC-værktøjsmaskiner samt distributører, der er blevet vigtige leverandører til produktion af amerikanske standard messingdele i Kina ...
  • ære
  • ære

Instruktioner & Nyheder