legines.com
352 messing inverteret opblussen 45 ° mandlig albue

352 messing inverteret opblussen 45 ° mandlig albue

Produktfunktioner:
■■ Al messingkonstruktion
■■ UL opført til brandfarlig væske og gas
■■ Opfylder funktionelle krav fra SAE J512
■■ Stålmøtrik til økonomi

Markeder: Applikationer:
■■ Aircondition ■■ Kølemiddellinjer
■■ Marine ■■ Bremselinjer
■■ Mobil ■■ Brændstoflinjer
■■ Motorer

Kompatibel rør:
■■ Kobber
■■ Messing
■■ Aluminium
■■ Svejset stålhydraulisk rør

Referencedel nr:
154 -2352 -259ifhd -352 -94W

Kontakt os

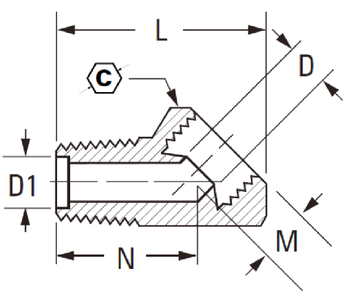
Specifikationer

DEL#

Tube O.D × Tråd

C

D

L

352-3A

3/16 × 1/8 17/32 .125 .88

352-4A

1/4 × 1/8 9/16 .188 .94

352-5A

5/16 × 1/8 5/8 .219 1.00

352-5b

5/16 × 1/4 5/8 .219 1.16

352-6b

3/8 × 1/4 25/32 .281 1.34

352-8c

1/2 × 3/8 7/8 .406 1.44

*Ref.Sae No.040302 BA

Den 352 messing inverterede Flare 45 ° mandlig albue (SAE J512) er designet til brug i aircondition, kølemiddellinjer, marine og mobile applikationer. Denne albue har en mandlig flare-montering med en glidemøtrik til nem installation. SAE J512 han 45 graders flare albue er konstrueret af al messing undtagen for stålmøtrikken, der giver holdbarhed og overkommelige priser.
Den 352 messing inverterede opblussen 45 ° mandlig albue er designet til gasser og væsker og opfylder funktionelle krav fra SAE J512 i størrelse 1/8 "til 1". Måling 0,94 ”i udvendig diameter.
Dette 3⁄16-tommer rørmontering og tilbyder en 45˚ albue bøjning.  Denne montering er velegnet til standard klimaanlæg, køling og hydrauliske applikationer samt mobile eller marine industrier.

Kontakt med os

Om Leginer

Legines Industrial Machinery Inc.

Som en professionel China Messingbeslag -producenter og skubbe på fittings -leverandører. Det vedtager fuld CNC -bearbejdning og ejer workshopområdet på 3600 kvadratmeter. 45 Automatiske maskinværktøjer, 35 semi-automatiske CNC-værktøjsmaskiner samt distributører, der er blevet vigtige leverandører til produktion af amerikanske standard messingdele i Kina ...
  • ære
  • ære

Instruktioner & Nyheder