legines.com
402 Inverterede opblussen 90 ° Mandlige albue fittings

402 Inverterede opblussen 90 ° Mandlige albue fittings

Produktfunktioner:
■■ Al messingkonstruktion
■■ UL opført til brandfarlig væske og gas
■■ Opfylder funktionelle krav fra SAE J512
■■ Stålmøtrik til økonomi

Markeder: Applikationer:
■■ Aircondition ■■ Kølemiddellinjer
■■ Marine ■■ Bremselinjer
■■ Mobil ■■ Brændstoflinjer
■■ Motorer

Kompatibel rør:
■■ Kobber
■■ Messing
■■ Aluminium
■■ Svejset stålhydraulisk rør

Referencedel nr:
4000 -2400 -2491ifhd -2491if -49W

Kontakt os

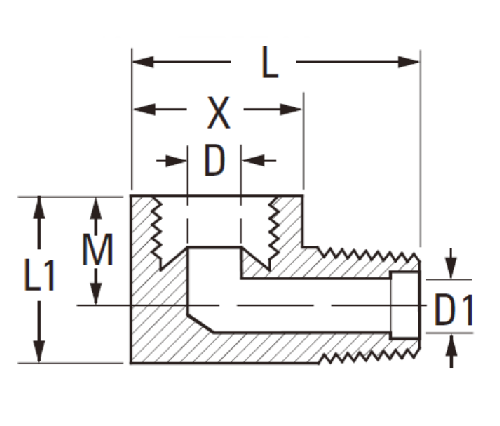
Specifikationer

DEL#

Tube o.d × hantråd

X

D

L

402-2A

1/8 × 1/8 .42 .078 .80

402-3A

3/16 × 1/8 .47 .125 .70

402-4A

1/4 × 1/8 .53 .188 .74

402-4b

1/4 × 1/4 .56 .188 .89

402-5A

5/16 × 1/8 .59 .219 .79

402-5b

5/16 × 1/4 .59 .220 .98

402-6A

3/8 × 1/8 .76 .281 .89

402-6b

3/8 × 1/4 .76 .281 1.03

402-6c

3/8 × 3/8 .75 .281 1.01

402-8b

1/2 × 1/4 .91 .406 1.08

402-8c

1/2 × 3/8 .92 .406 1.07
402-8D 1/2 × 1/2 .91 .406 1.26
402-10D 5/8 × 1/2 1.06 .531 1.32

*Ref.Sae No.040202 BA

Blussede 90 ° albuer giver dig let tilsluttet to linjer i en højre vinkel. De bruges til at ændre retning i vand, klimaanlæg og kølemiddellinjer, bremselinjer og brændstoflinjer. Konstruktions- og stålmøtrikkerne i hele massen gør dem ideelle til brug med stålhydraulisk gummislange.
Denne fakkel 90 ° albue er alle messingkonstruktion, UL, der er opført til brandfarlig væske og gas, opfylder funktionelle krav til SAE J512, 1/8 "x1/8" rør til 1/2 "x1/2" mandlig montering. Stålmøtrikken for økonomi, der møder de fleste OEM -bilproducenternes standarder.
Dette er en NPT -mandlig albue, der er konstrueret af messing og bruges til VVS. Denne montering giver en billig måde at forbinde rør, der er lavet med forskellige materialer og størrelser.

Kontakt med os

Om Leginer

Legines Industrial Machinery Inc.

Som en professionel China Messingbeslag -producenter og skubbe på fittings -leverandører. Det vedtager fuld CNC -bearbejdning og ejer workshopområdet på 3600 kvadratmeter. 45 Automatiske maskinværktøjer, 35 semi-automatiske CNC-værktøjsmaskiner samt distributører, der er blevet vigtige leverandører til produktion af amerikanske standard messingdele i Kina ...
  • ære
  • ære

Instruktioner & Nyheder