legines.com
252 Inverterede blusse kvindelige adapterfittings

252 Inverterede blusse kvindelige adapterfittings

Produktfunktioner:
■■ Al messingkonstruktion
■■ UL opført til brandfarlig væske og gas
■■ Opfylder funktionelle krav fra SAE J512
■■ Stålmøtrik til økonomi

Markeder: Applikationer:
■■ Aircondition ■■ Kølemiddellinjer
■■ Marine ■■ Bremselinjer
■■ Mobil ■■ Brændstoflinjer
■■ Motorer

Kompatibel rør:
■■ Kobber
■■ Messing
■■ Aluminium
■■ Svejset stålhydraulisk rør

Referencedel nr:
461FHD -252 -46W

Kontakt os

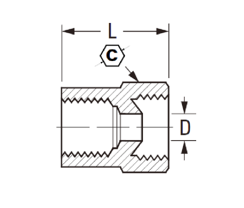
Specifikationer

DEL#

Tube O.D × Tråd

C

D

L

252-3a

3/16 × 1/8 15/32 .125 .62

252-4a

1/4 × 1/8 17/32 .188 .62

252-5b

5/16 × 1/4 19/32 .220 .70

252-6b

3/8 × 1/4 3/4 .281 .80

252-8c

1/2 × 3/8 29/32 .406 .91

*Ref.Sae No.040103 BA

Alt dette messing kvindelige blussadapter har en omvendt opblussen til brug med standard mandlige blussede fittings. Det giver en pålidelig tætning for at forhindre lækage og er SAE J512 godkendt. Stålmøtrikken anbefales til økonomiapplikationer, hvor en permanent installeret flare -montering stadig skal fjernes eller geninstalleres i en kort periode.
Tilvejebringelse af ekstra alsidighed og holdbarhed vil 252 -serien imødekomme rør med en udvendig diameter på 3/16 ", 1/4", 5/16 "og 3/8". Dette sikrer, at det er kompatibelt med stort set alle dine tankbeslag. Du vil også blive imponeret over dens holdbare konstruktion og sikre en lang levetid, uanset hvor mange gange du bruger den.
Denne adaptermontering er designet til at forbinde slange til slanger og ventiler. Fremstillet af messing opfylder denne montering industristandarder og er designet til brug i bilindustrien og marine applikationer.
Den omvendte fakkel kvindelige adapter er en kvindelig fitting, der er kompatibel med SAE 1/2 "NPT -tråde og SAE 3/8" rør. Konstrueret af holdbare materialer og designet til omfattende brug, er disse fittings gode til ethvert hjem eller forretning.

Kontakt med os

Om Leginer

Legines Industrial Machinery Inc.

Som en professionel China Messingbeslag -producenter og skubbe på fittings -leverandører. Det vedtager fuld CNC -bearbejdning og ejer workshopområdet på 3600 kvadratmeter. 45 Automatiske maskinværktøjer, 35 semi-automatiske CNC-værktøjsmaskiner samt distributører, der er blevet vigtige leverandører til produktion af amerikanske standard messingdele i Kina ...
  • ære
  • ære

Instruktioner & Nyheder