legines.com
202 Inverterede Flare Fittings Mandstik

202 Inverterede Flare Fittings Mandstik

Produktfunktioner:
■■ Al messingkonstruktion
■■ UL opført til brandfarlig væske og gas
■■ Opfylder funktionelle krav fra SAE J512
■■ Stålmøtrik til økonomi

Markeder: Applikationer:
■■ Aircondition ■■ Kølemiddellinjer
■■ Marine ■■ Bremselinjer
■■ Mobil ■■ Brændstoflinjer
■■ Motorer

Kompatibel rør:
■■ Kobber
■■ Messing
■■ Aluminium
■■ Svejset stålhydraulisk rør

Referencedel nr:
2200 -48ifhd -202 -48W -200

Kontakt os

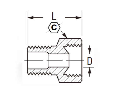
Specifikationer

DEL#

Tube O.D × Tråd

C

D

L

202-2a

1/8 × 1/8 13/32 .078 .62

202-3a

3/16 × 1/8 15/32 .125 .70

202-4a

1/4 × 1/8 17/32 .188 .74

202-4b

1/4 × 1/4 9/16 .188 .89

202-5A

5/16 × 1/8 19/32 .219 .79

202-5b

5/16 × 1/4 19/32 .220 .98

202-6A

3/8 × 1/8 3/4 ..281 .89

202-6b

3/8 × 1/4 3/4 .281 1.03

202-6c

3/8 × 3/8 3/4 .281 1.01

202-8b

1/2 × 1/4 29.32 .406 1.08

202-8c

1/2 × 3/8 29/32 .406 1.07

202-8d

1/2 × 1/2 29/32 .406 1.26

202-10d

5/8 × 1/2 1-1/16 .531 1.32

202-12e

3/4 × 3/4 1-1/4 .625 1.39

*Ref.Sae No.040102 BA

Inverterede opblussenfittings kan bruges i mange applikationer. Disse fittings er konstrueret af messing, hvilket sikrer holdbarhed og korrosionsbestandighed. Integrerede O-ringforseglinger bruges til at sikre lækrefri ydeevne. SAE -monteringen opfylder også SAE J512 -kravene til systemer.
Vi tilbyder et stort udvalg af flare-fittings, herunder super-duty, industriel og standard Rosebud. Vores omvendte blussefittings er lavet af 100% messing, hvilket gør dem ideelle til alle industrielle applikationer.
Inverterede opblussefittings bruges til at forbinde slanger og slange til ventiler eller andre enheder. De består af en klemmøtrik, en rørbeslag og en låserring. Klemmøtrikken strammes på slangen og holder røret sikkert på plads, og låserringen forhindrer røret i at blive trukket af, mens den servicerer det. Stramningskraften er stor nok til, at disse fittings kan bruges uden PTFE -bånd, men du skal stadig smøre trådene inden montering.

Kontakt med os

Om Leginer

Legines Industrial Machinery Inc.

Som en professionel China Messingbeslag -producenter og skubbe på fittings -leverandører. Det vedtager fuld CNC -bearbejdning og ejer workshopområdet på 3600 kvadratmeter. 45 Automatiske maskinværktøjer, 35 semi-automatiske CNC-værktøjsmaskiner samt distributører, der er blevet vigtige leverandører til produktion af amerikanske standard messingdele i Kina ...
  • ære
  • ære

Instruktioner & Nyheder