legines.com
702 Inverterede Flare Union Tee Fittings

702 Inverterede Flare Union Tee Fittings

Produktfunktioner:
■■ Al messingkonstruktion
■■ UL opført til brandfarlig væske og gas
■■ Opfylder funktionelle krav fra SAE J512
■■ Stålmøtrik til økonomi

Markeder: Applikationer:
■■ Aircondition ■■ Kølemiddellinjer
■■ Marine ■■ Bremselinjer
■■ Mobil ■■ Brændstoflinjer
■■ Motorer

Kompatibel rør:
■■ Kobber
■■ Messing
■■ Aluminium
■■ Svejset stålhydraulisk rør

Referencedel nr:
244ifhd -702 -441

Kontakt os

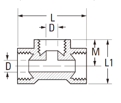
Specifikationer

DEL#

Tube O.D

D

M

L

702-2 1/8 .078 .330 .94
702-3 3/16 .125 .390 1.09
702-4 1/4 .188 .420 1.13
702-5 5/16 .219 .450 1.25
702-6 3/8 .281 .560 1.48
702-8 1/2 .406 .937 1.76

*Ref.Sae No.040401 BA

Den omvendte Flare Union -tee -montering bruges til at forbinde to rør. Denne montering tillader strømning fra en forbindelse til at afslutte den modsatte forbindelse uden at reducere tryk eller strømning. Det har en fuldt sammenkobling af messingkonstruktion og har et SAE J512 -kompatibelt design, så det kan modstå korrosion. Den omvendte Flare Union -tee kan bruges i både kommercielle og industrielle applikationer såsom aircondition, kølemiddellinjer, marine motorer, bremselinjer og mobile brændstoflinjer.
Vores 702 inverterede Flare Union -tee -fittings er lavet af messing og opfylder kravene i SAE J512. Det har en stålmøtrik til økonomi, den kan bruges i linjerne med frostvæske, bremsevæske, marinmotor kølevand og goo.

Kontakt med os

Om Leginer

Legines Industrial Machinery Inc.

Som en professionel China Messingbeslag -producenter og skubbe på fittings -leverandører. Det vedtager fuld CNC -bearbejdning og ejer workshopområdet på 3600 kvadratmeter. 45 Automatiske maskinværktøjer, 35 semi-automatiske CNC-værktøjsmaskiner samt distributører, der er blevet vigtige leverandører til produktion af amerikanske standard messingdele i Kina ...
  • ære
  • ære

Instruktioner & Nyheder